银河集团(galaxy)多流干式冷水水表MTKD系列每年有超过百万只多流表销往欧洲、北美、南美等市场,为客户提供精确计量。同时它可以通过很容易的加装脉冲或其他智能远传模块进行远程抄表。
优良的设计保证其即使在较恶劣的用水环境下依旧可以保持精确计量。MTKD标配抗UV工程塑料计数器视窗,但同时也有玻璃计数器视窗可选。MTKD系列产品标配为8位字轮。
MTKD系列水表产品安装的是银河集团(galaxy)新型的MD型计数器,MTKD有两个基本版本,即MTKD-N带7位字轮计数器和磁钢指针可以实现脉冲输出,MTKD-M带8位字轮计数器和无磁钢片,可以搭配银河集团(galaxy)EDC智能模块实现无线/M-Bus/脉冲/LoRa/NB-IoT远传。
性能特点
■ DN15-50,量程比可达R160H;
■ 表头及EDC模块部分可360度旋转,方便现场安装、拆卸及读数;
■ 表头可选择抗UV、高强度的塑料视窗计数器,也可选择IP68等级的铜封计数器(高刚性玻璃视窗);
■ DN15-40铜壳版本和铁壳版本可选,表面蓝色喷涂,坚固耐用,防腐防锈效果优异;
■ DN15-20可选塑壳版本,壳体采用50%玻纤增强型尼龙材料,高强度、高刚度,抗蠕变性能优异,60bar耐压测试无渗漏或爆裂;
■ MID认证,涉水部件的材料具有KTW/W270认证,符合欧盟饮用水卫生要求;
■ 通讯方式:有磁远传-干簧管脉冲输出方式;无磁远传,如RS485输出NB-loT/LoRa物联网通讯、wM-Bus、脉冲输出、M-Bus等。
技术参数

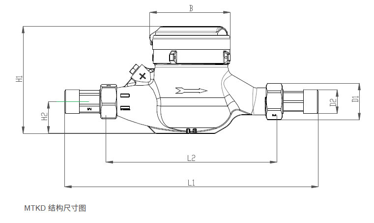
外形尺寸

在线询价