旋进旋涡流量计

首页>流量计>旋进旋涡流量计

ZVP系列旋进旋涡流量计
产品概述:

ZVP系列旋进旋涡流量计是直接显示标准状态下(Po=101.325 kPa,To=293.15K)介质体积流量计。它是通过内部温度传感器、压力传感器和流量传感器检测相应参数来实现气体介质标准流量计量的。可广泛用于石油、化工、冶金、城市燃气输配管网的气体流量计量。




分享到:

性能特点

● 无可动部件、无磨损、免维护;

● 集压力、温度、流量传感器于一体,可自动进行温压补偿和压缩因子自动修正,特殊设计的流量传感器,提高抗震、抗干扰性能;

● 很短的前后直管段,节约安装成本;

● 超低功耗,内电池供电,1节锂电池使用寿命长达5年;

● 可选配远红外遥控操作,方便复杂环境中数据采集;

● 检测探头的压电晶体采用四片压电陶瓷贴片,抗污染好,寿命长;

● 多种信号输出:脉冲信号;4~20mA;

● 与专用Modem配套,实现RS485通讯;通过电话网络,自动读取仪表数据;

● 采用EPROM数据存贮技术,长期保存工作参数数据;

● 检测探头材料具有多种选择,例如304316,316L,钛合金,哈氏合金等;

● 流量积算仪可180°旋转,方便不同流向安装;

● 采用先进的双探头旋进式流量传感器技术,抗干扰能力强、精确度高、无机械传动部件、不易腐蚀、结构紧凑、可靠性高、稳定性好、维修量小,探头组件可以在线进行更换。


技术参数

主要技术参数


A)公称通径:DN20~DN300

B)流量范围:1m³/h~6500m³/h

C)工作压力:1.0~16MPa

D)准确度等级:1.0级、1.5(重复性:小于基本误差限绝对值的1/3)


环境条件


A)环境温度:-30~+60;-40~+75(订制)

B)相对湿度:≤95%

C)大气压力:86kPa~106kPa


工作条件


A)介质温度:-20~+60,-20~+130-20~420℃(订制)

B)公称压力:1.0MPa~16MPa

C)适用介质:天然气、城市煤气、丙烷、氮气、工业惰性气体等气体和蒸气


输出信号


A)脉冲信号:0~5kHz

B)电流信号:4~20mA,负载电阻≤7500(24V供电),含二线制和三线制

C)数字通讯:RS232RS485HART及无线RTU(A11协议)


供电电源


A)内电源:一节3.6V锂电池,工作电流80μA(就地显示),使用寿命5年以上

B)外电源:24VDC,外电源工作时,自动切断内电源。整机功耗≤1w,工作电压范围DC24V±10%


电气接口


M20×1.5内螺纹


设计标准


JJG1121-2015“旋进旋涡流量计检定规程”


防爆标准


GB3836.1-2021“爆炸性环境第1部分:设备、通用要求”

GB3836.2-2021“爆炸性环境第2部分:由隔爆型“d”保护的设备


防爆标志


Ex db lIB T4 Gb


防护等级


IP65


连接方式


法兰连接


标准状态条件


P=101.325kPa T=293.15k


规格和流量范围

 

image.png


 

  数据存储功能


能够存储的数据包括:

最近512次流量计启动、停止日期时间和对应的总量记录;最近256条日总量记录,包括日期;最近60个月的月总量记录,包括日期;

最近5条关于温度出现故障时的记录,包括日期、时间;最近5条关于压力出现故障时的记录,包括日期、时间;最近5条关于电池电量低的记录,包括日期、时间;最近5条关于磁攻击的记录,包括日期、时间;

最近256条压力超标开始记录,包括超标的压力值、日期、时间;最近256条压力超标结束记录,包括超标的压力值、日期、时间;

最近256条工况流量超标开始记录,包括超标的流量、百分比、日期、时间;最近256条工况流量超标结束记录,包括超标的流量、百分比、日期、时间;最近256条每天最大流量记录,包括流量、日期、时间;

最近4096条状态记录等,包括工况流量、标况流量、温度、压力、时间、日期(存储时间1~24小时可选择);

以上存储数据可利用上位机通过RS-485接口进行读取,也可在流量积算仪上直接查询(最近1000条状态记录除外)。一台上位机最多能管理32台流量计的上传数据。

 




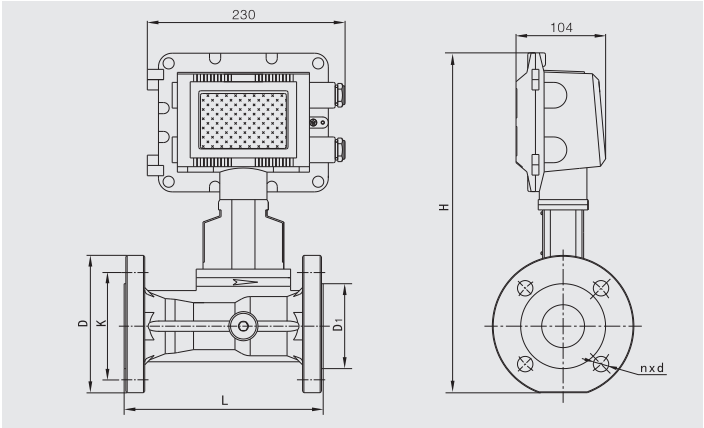
外形尺寸


流量计外形尺寸图


连接尺寸表

法兰执行标准:GB/9113-2010



在线询价

我们最尊贵的客户,您如果有问题可以通过下方留言,或致电 021-59869333,
我们会第一时间与您取得联系,竭诚为您服务 。(*为必填项,真诚感谢您的留言。)
  • 姓名 *
  • 电话 *
  • 邮箱 *
  • 地址
  • 内容
您可能感兴趣的
ZVP系列旋进旋涡流量计
ZVP系列旋进旋涡流量计是直接显示标准状态下(Po=101.325 kPa,To=293.15K)介质体积流量计。它是通过内部温度传感器、压力传感器和流量传感器检测相应参数来实现气体介质标准流量计量的。可广泛用于石油、化工、冶金、城市燃气输配管网的气体流量计量。...

Copyright 银河集团(galaxy) 版权所有 备案号:沪ICP备15049156号-3
上海市青浦工业园区崧达路800号
info@dmlkj.cn
Copyright 银河集团(galaxy) 版权所有 备案号:沪ICP备15049156号-3